Zum Hauptinhalt springen Zur Suche springen Zur Hauptnavigation springen

  Kostenlose Lieferung ab 100,-€

  Schneller Versand

  über 85 Jahre Erfahrung

  Mehr als 50.000 Produkte auf Lager

Menü

Produktinformationen "IBT Spanner Doppelkeil Klemmkraft 1,3 kn"

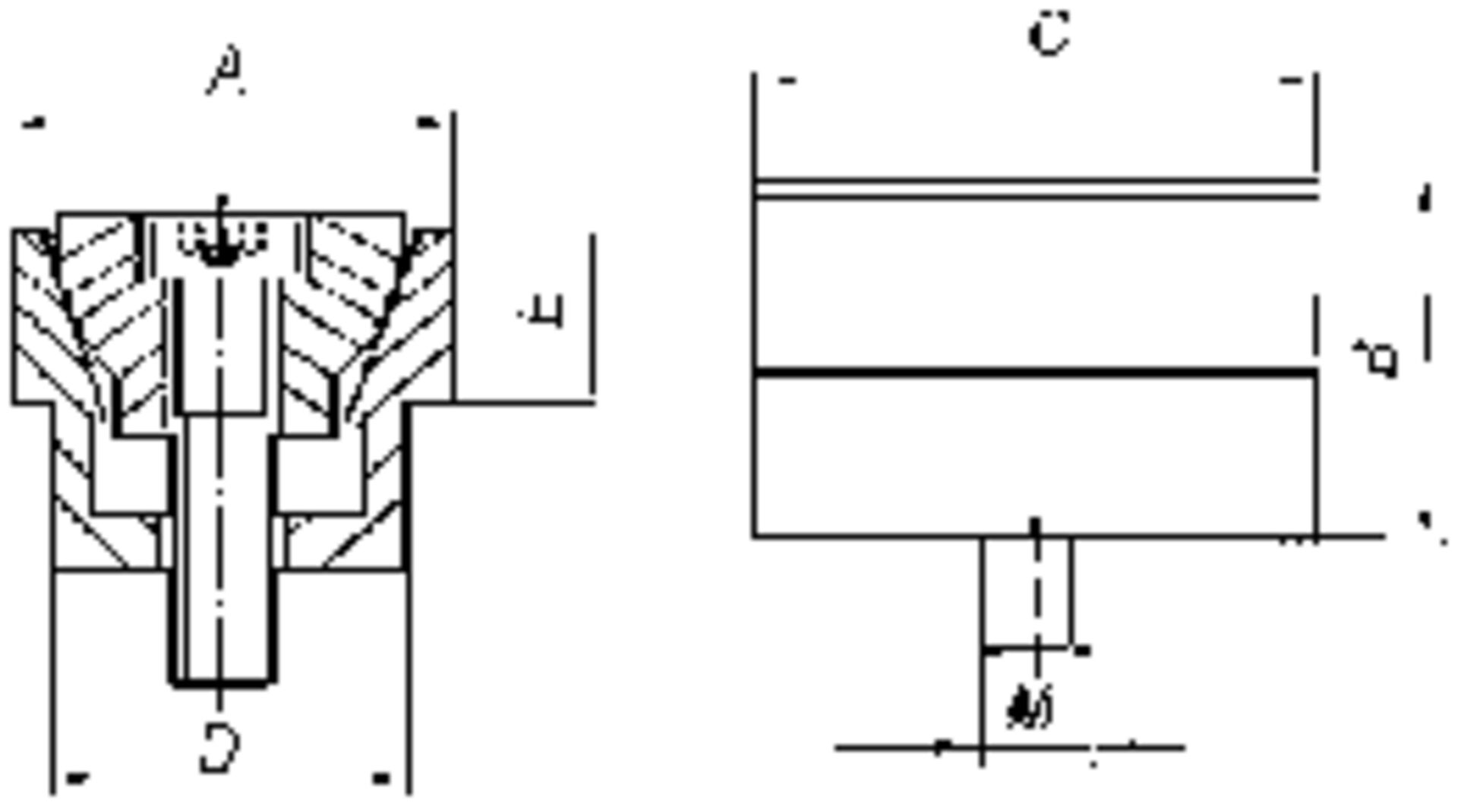
Doppel-Keilspanner Universelles Spannsystem zur Spannung von allen Werkstückformen, egal ob rechtwinklig, schräg, konkav oder konvex. Ausführung: Die Besonderheit dieser Spannvorrichtung ist die Stahlschraube (Festigkeit 10.9) mit dem exzentrischen Kopf. Der Exzenter bewirkt die Spannbewegung bei sehr hoher Spannkraft. Als Klemmstück dient eine Messing-Sechskantscheibe. Anwendung: Mit Anschlagstiften und 1 oder 2 Spannschrauben kann jedes Werkstück in den unterschiedlichsten Formen geklemmt werden. Die geringe Bauhöhe ermöglicht das problemlose Bearbeiten der Werkstückoberfläche. Somit muss bei CNC-Programmierungen keine Rücksicht auf die Lage der Spannpratzen genommen werden. Zudem erlauben die geringen Baumaße eine platzsparende Mehrfachspannung. Die Spannklemmen können auch als Anschlag verwendet werden. Ausführung: Aluprofil beschichtet, Stahlkeil vergütet. Durch die geringen Baumaße wird eine Mehrfachspannung ermöglicht. Anwendung: Mit einem Spannelement werden gleichzeitig 2 Werkstücke gespannt. Ideal zum Spannen von runden und rechteckigen Werkstücken.

Maß B: 9,7 mm
Maß C: 11,9 mm
Maß D: 7,9 mm
Maß F: 9,5 mm
Maß a: 9,1-10,0 mm
Maß e: 4,7 mm
Schraube: M2,5
Spannkraft: 1,3 kN
Stiftschlüsselgröße: 2,0 mm
Angaben zum Hersteller (Informationspflichten zur GPSR Produktsicherheitsverordnung)
IBT Ingenieurbüro Thiermann GmbH
Paul-Friedländer-Straße 8
65203 Wiesbaden, Deutschland