Zum Hauptinhalt springen Zur Suche springen Zur Hauptnavigation springen

  Kostenlose Lieferung ab 100,-€

  Schneller Versand

  über 85 Jahre Erfahrung

  Mehr als 50.000 Produkte auf Lager

Menü

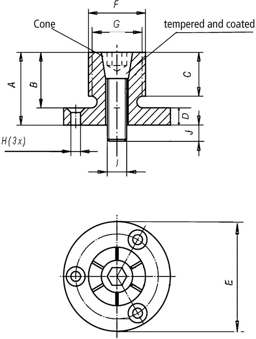
Produktinformationen "IBT Spanndorn XPA M 4x12,40mm"

Spanndorn XPA Universelles Spannsystem zur Spannung von allen Werkstückformen, egal ob rechtwinklig, schräg, konkav oder konvex. Ausführung: Die Besonderheit dieser Spannvorrichtung ist die Stahlschraube (Festigkeit 10.9) mit dem exzentrischen Kopf. Der Exzenter bewirkt die Spannbewegung bei sehr hoher Spannkraft. Als Klemmstück dient eine Messing-Sechskantscheibe. Anwendung: Mit Anschlagstiften und 1 oder 2 Spannschrauben kann jedes Werkstück in den unterschiedlichsten Formen geklemmt werden. Die geringe Bauhöhe ermöglicht das problemlose Bearbeiten der Werkstückoberfläche. Somit muss bei CNC-Programmierungen keine Rücksicht auf die Lage der Spannpratzen genommen werden. Zudem erlauben die geringen Baumaße eine platzsparende Mehrfachspannung. Die Spannklemmen können auch als Anschlag verwendet werden. Ausführung: Aus Baustahl, mit gehärteter und beschichteter Spannschraube. Der Durchmesser des Befestigungsflansches ist konzentrisch zum Spanndurchmesser, sodass eine hohe Wiederholgenauigkeit der Teile erreicht wird. Anwendung: Fast jedes Werkstück (z. B. Drehteil, Frästeil, Bohrteile usw.) hat mindestens eine Bohrung, und genau diese wird mit dem Spanndorn XPA zum Spannen genutzt. Die Spannung erfolgt somit von innen und macht die Bearbeitung der 2. Seite problemlos möglich. Die geringen Baumaße erlauben eine Mehrseitenbearbeitung, ohne störende Kanten für das Werkzeug. Der Spanndorn ist bearbeitbar und lässt sich durch Drehen und Fräsen auf die jeweiligen Durchmesser anpassen. Automatisierbar mit Hydraulik und Pneumatik. Lieferumfang: Spanndorn mit 3 Befestigungsschrauben.

Technische Daten:
  • Spannbereich F: 29,3-103,0 mm
  • Maß a: 45,5 mm
  • Maß B: 37,6 mm
  • Maß C: 32,3 mm
  • Maß D: 7,9 mm
  • Maß e: 132,90 mm
  • Maß G: 29,3 mm
  • Maß h: M6 mm
  • I Spannschraube: M16
  • J: 20,0 mm
I Spannschraube: M4
J: 8,0 mm
Maß B: 16,0 mm
Maß C: 15,0 mm
Maß D: 5,9 mm
Maß G: 7,2 mm
Maß a: 21,8 mm
Maß e: 29,72 mm
Maß h: M3 mm
Spannbereich F: 7,2-12,4 mm
Angaben zum Hersteller (Informationspflichten zur GPSR Produktsicherheitsverordnung)
IBT Ingenieurbüro Thiermann GmbH
Paul-Friedländer-Straße 8
65203 Wiesbaden, Deutschland
Produktgalerie überspringen

Kunden haben sich ebenfalls angesehen

22 %
IBT Spanndorn XPA M 16x42,00mm
Spannbereich F: 29,3-42,0 mm | Spannkraft: nv | T-Nutbreite: nv

Varianten ab 62,26 €*

Lieferzeit: 1-3 Werktage**

163,89 €* 209,44 €*