Zum Hauptinhalt springen Zur Suche springen Zur Hauptnavigation springen

  Kostenlose Lieferung ab 89,-€

  Schneller Versand

  über 85 Jahre Erfahrung

  Mehr als 50.000 Produkte auf Lager

Menü

Produktinformationen "IBT Spanndorn XPA M 8x20,00mm"

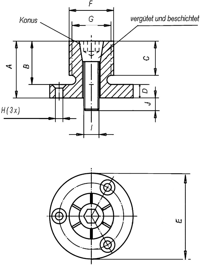
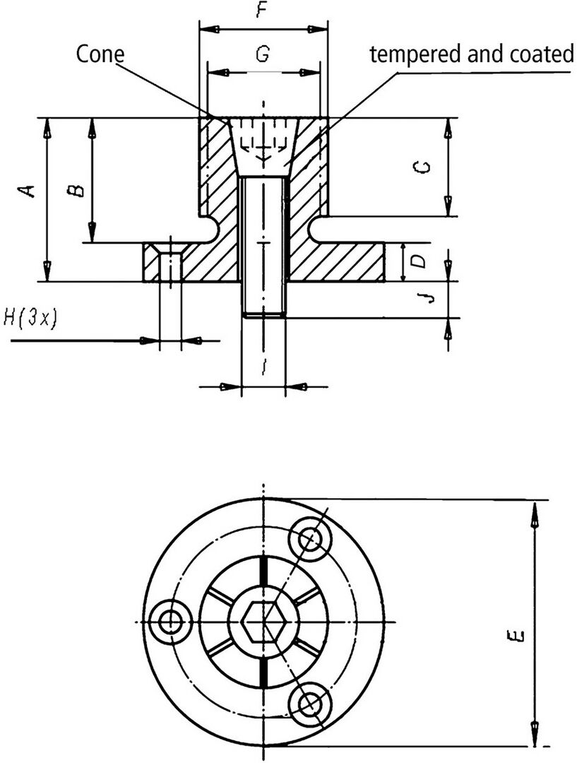
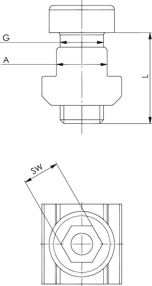
Spanndorn XPA Universelles Spannsystem zur Spannung von allen Werkstückformen, egal ob rechtwinklig, schräg, konkav oder konvex. Ausführung: Die Besonderheit dieser Spannvorrichtung ist die Stahlschraube (Festigkeit 10.9) mit dem exzentrischen Kopf. Der Exzenter bewirkt die Spannbewegung bei sehr hoher Spannkraft. Als Klemmstück dient eine Messing-Sechskantscheibe. Anwendung: Mit Anschlagstiften und 1 oder 2 Spannschrauben kann jedes Werkstück in den unterschiedlichsten Formen geklemmt werden. Die geringe Bauhöhe ermöglicht das problemlose Bearbeiten der Werkstückoberfläche. Somit muss bei CNC-Programmierungen keine Rücksicht auf die Lage der Spannpratzen genommen werden. Zudem erlauben die geringen Baumaße eine platzsparende Mehrfachspannung. Die Spannklemmen können auch als Anschlag verwendet werden. Ausführung: Aus Baustahl, mit gehärteter und beschichteter Spannschraube. Der Durchmesser des Befestigungsflansches ist konzentrisch zum Spanndurchmesser, sodass eine hohe Wiederholgenauigkeit der Teile erreicht wird. Anwendung: Fast jedes Werkstück (z. B. Drehteil, Frästeil, Bohrteile usw.) hat mindestens eine Bohrung, und genau diese wird mit dem Spanndorn XPA zum Spannen genutzt. Die Spannung erfolgt somit von innen und macht die Bearbeitung der 2. Seite problemlos möglich. Die geringen Baumaße erlauben eine Mehrseitenbearbeitung, ohne störende Kanten für das Werkzeug. Der Spanndorn ist bearbeitbar und lässt sich durch Drehen und Fräsen auf die jeweiligen Durchmesser anpassen. Automatisierbar mit Hydraulik und Pneumatik. Lieferumfang: Spanndorn mit 3 Befestigungsschrauben.

I Spannschraube: M8
J: 14,0 mm
Maß B: 19,0 mm
Maß C: 15,0 mm
Maß D: 5,9 mm
Maß G: 13,5 mm
Maß a: 24,9 mm
Maß e: 37,50 mm
Maß h: M3 mm
Spannbereich F: 13,5-20,0 mm
Angaben zum Hersteller (Informationspflichten zur GPSR Produktsicherheitsverordnung)
IBT Ingenieurbüro Thiermann GmbH
Paul-Friedländer-Straße 8
65203 Wiesbaden, Deutschland

Ähnliche Produkte

36 %
AMF Waagrecht-Spanner 6832 Gr. 0

Lieferzeit: 1-3 Werktage**

10,44 €* 16,36 €*
Produkt Anzahl: Gib den gewünschten Wert ein oder benutze die Schaltflächen, um die Anzahl zu erhöhen oder zu reduzieren.
AMF Waag.-Spanner Gr. 0
Modell: nv | Spannkraft: nv | Spannweite: nv | h1: nv

Derzeit nicht verfügbar

6,87 €*
39 %
AMF Waagrecht-Spanner 6832 Gr. 3

Lieferzeit: 1-3 Werktage**

20,65 €* 33,80 €*
Produkt Anzahl: Gib den gewünschten Wert ein oder benutze die Schaltflächen, um die Anzahl zu erhöhen oder zu reduzieren.
47 %
AMF Senkrecht-Spanner 6800 NI Gr. 0 rostfrei
Modell: nv | Spannkraft: nv | Spannweite: nv | h1: 18,0

Lieferzeit: 1-3 Werktage**

20,14 €* 37,72 €*
METABO SPANNMUTTER

Derzeit nicht verfügbar

8,02 €*
38 %
AMF Befestigungssatz 7600BF-30 M12x14
Breite: nv | F: nv | G: nv | Größe: 30 | Nut: nv | Nutenbreite: nv | Spannbereich F: nv | Spannhöhe: nv | Spannkraft: nv | T-Nutenbreite A: 14 mm

Lieferzeit: 1-3 Werktage**

5,93 €* 9,58 €*
AMF Scheibe D6340 M14
A: nv | Ausführung: DIN erweitert | C: nv | Gewicht: nv | Gewinde: nv | Gewinde-Ø x Länge: nv | Größe: nv | Höhenverstellbar h-H: nv | Inhalt: nv | Nutenbreite: nv | Spannhöhe h-H: nv | Spannkraft: nv | b2: nv | für: nv | für Größe: nv | für Schrauben metrisch: M14

Lieferzeit: 1-3 Werktage**

1,19 €*
16 %
AMF Stiftschraube D6379 M8 x100mm
Abmessung: nv | Ausführung: nv | Backenbreite: nv | Gewinde x Länge: nv | Gewinde-Ø x Länge: M8 x100mm | Höhe x Breite: nv | für Größe: nv

Varianten ab 1,19 €*

Lieferzeit: 1-3 Werktage**

1,54 €* 1,84 €*
30 %
AMF Prismenaufsatz Gr. 45 NR. 6441

Lieferzeit: 1-3 Werktage**

18,37 €* 26,42 €*
Produkt Anzahl: Gib den gewünschten Wert ein oder benutze die Schaltflächen, um die Anzahl zu erhöhen oder zu reduzieren.
28 %
AMF Parallelunterlage Set SPL 100mm i.Holzst.
Breite: nv | Höhe: nv | Länge: 100 mm | Typ: nv

Lieferzeit: 1-3 Werktage**

644,96 €* 893,10 €*
30 %
BESSEY Maschinen-Tischspanner BS Gr. 2 200x100mm
Größe: 2

Lieferzeit: 1-3 Werktage**

124,05 €* 176,12 €*
34 %
FORMAT Spanneisen DIN6315 GN 9x100mm
Ausführung / Typ: nv | Länge l1: 100 mm | Nutenbreite: nv

Lieferzeit: 1-3 Werktage**

10,65 €* 16,12 €*

Kunden haben sich ebenfalls angesehen

20 %
IBT Spanndorn XPA M 10x27,00mm
Spannbereich F: 18,0-27,0 mm | Spannkraft: nv | T-Nutbreite: nv

Varianten ab 62,26 €*

Lieferzeit: 1-3 Werktage**

105,22 €* 130,90 €*