











42,84 €*
% 59,38 €* UVP (27.85% gespart)Lieferzeit: 1-3 Werktage**
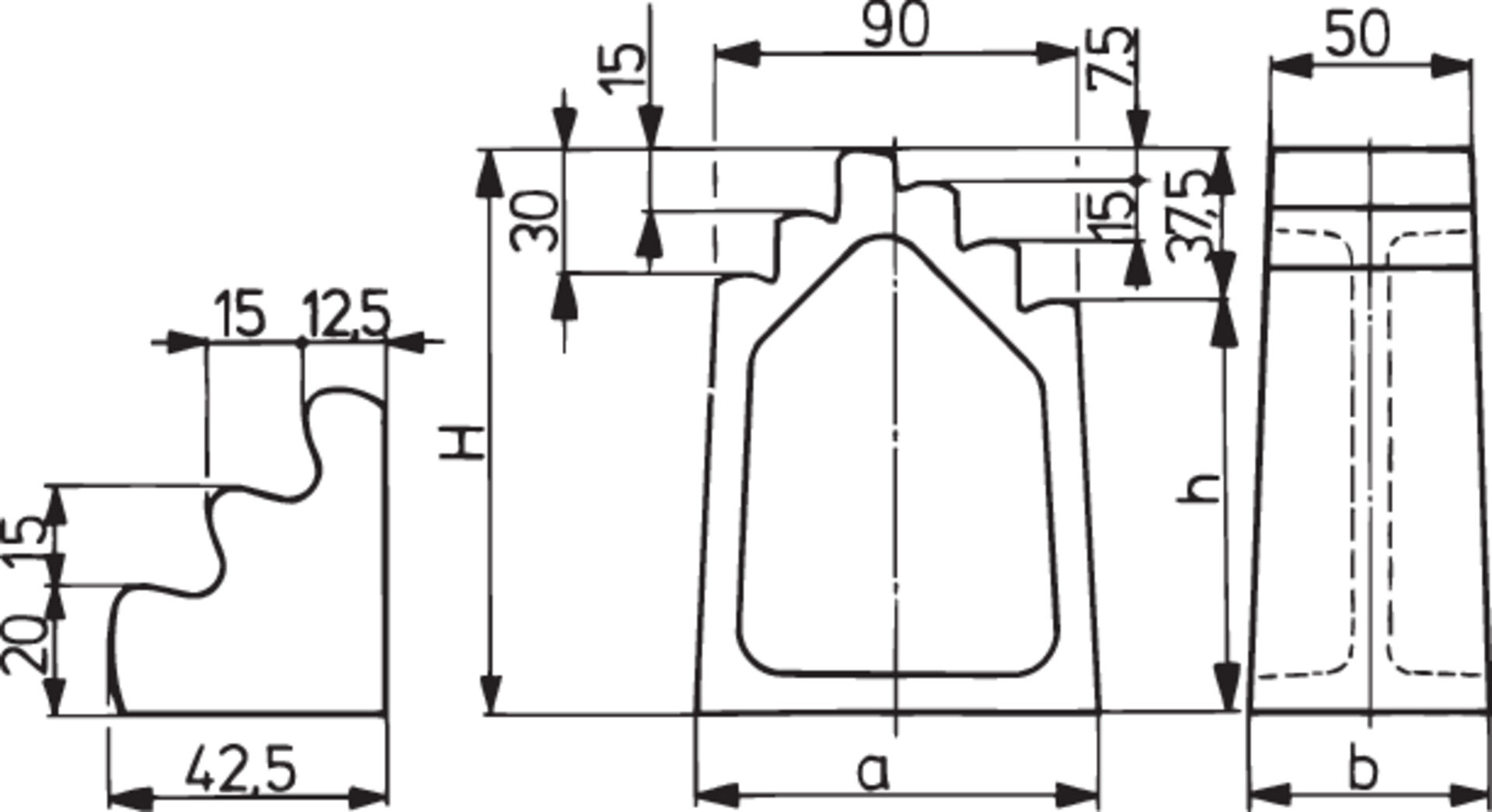
Produktinformationen "AMF Treppenbock D6318 185/147,5-185mm"
Treppenbock Ausführung: Aus Maschinenguss, lackiert. Standfläche und Treppen plangefräst. Auflage 50 mm breit. Die Treppenböcke haben Spannstufen von je 7,5 mm Höhenunterschied.
Spannhöhe h-H: | 147,5-185 mm |
---|
Ähnliche Produkte
Derzeit nicht verfügbar
Lieferzeit: 1-3 Werktage**
Lieferzeit: 1-3 Werktage**
Lieferzeit: 1-3 Werktage**
Lieferzeit: 1-3 Werktage**
Lieferzeit: 1-3 Werktage**
Lieferzeit: 1-3 Werktage**
Lieferzeit: 1-3 Werktage**