











24,70 €*
% 33,92 €* UVP (27.18% gespart)Lieferzeit: 1-3 Werktage**
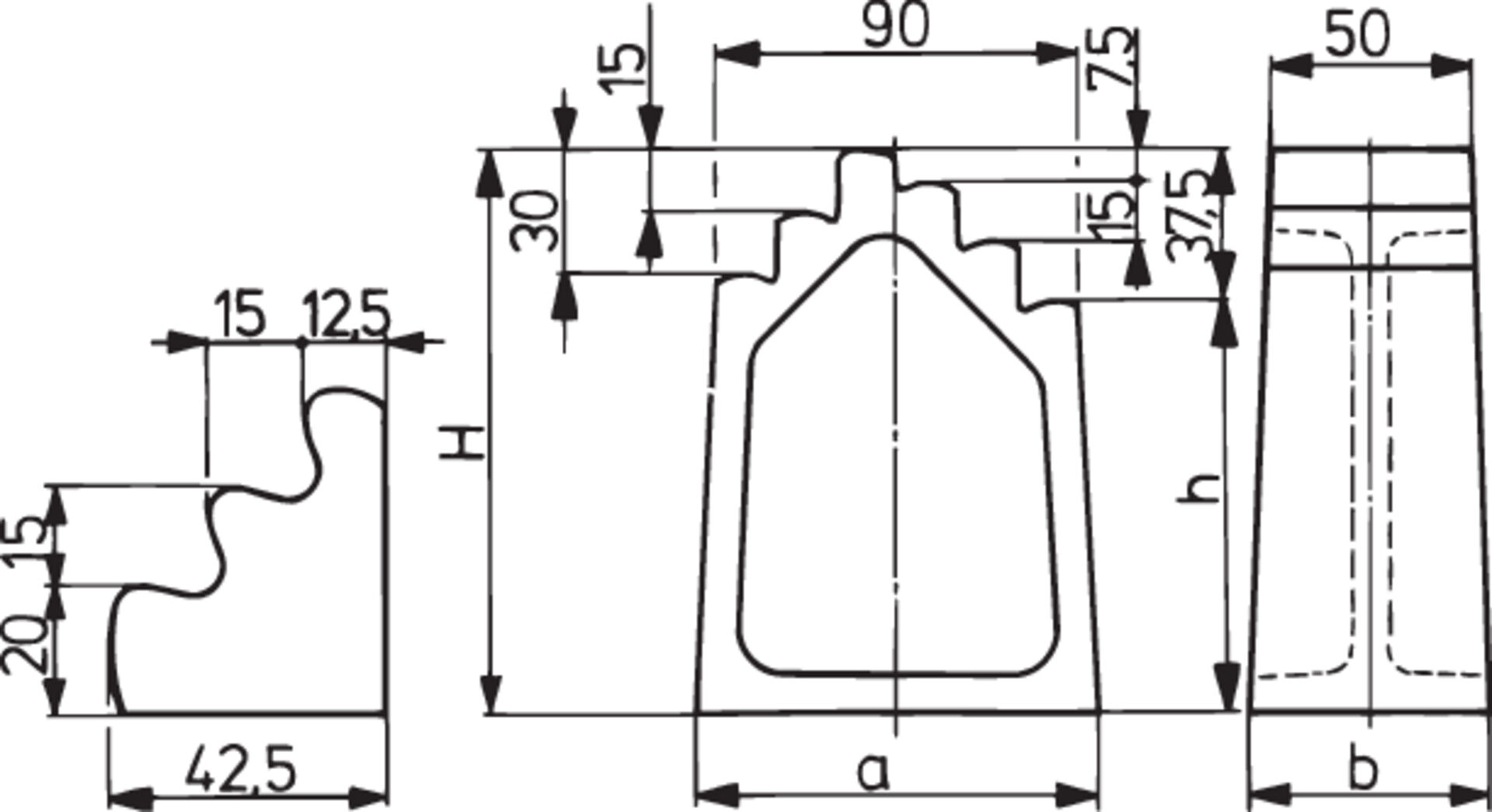
Produktinformationen "AMF Treppenbock D6318 95/ 57,5- 95mm"
Treppenbock Ausführung: Aus Maschinenguss, lackiert. Standfläche und Treppen plangefräst. Auflage 50 mm breit. Die Treppenböcke haben Spannstufen von je 7,5 mm Höhenunterschied.
Spannhöhe h-H: | 57,5-95 mm |
---|
Ähnliche Produkte
Derzeit nicht verfügbar
Lieferzeit: 1-3 Werktage**
Lieferzeit: 1-3 Werktage**
Lieferzeit: 1-3 Werktage**
Lieferzeit: 1-3 Werktage**
Lieferzeit: 1-3 Werktage**
Lieferzeit: 1-3 Werktage**
Lieferzeit: 1-3 Werktage**